武汉中夏无线电有限公司36年生产
咨询热线
18171457862
新闻详情

摩托车流动装饰灯

发表时间:2022-01-10 13:04
钱江100踏板摩托车头部,安装有新颖的发光二极管流动闪烁装饰灯,在夜晚行车时,既美观又具有警示功能。
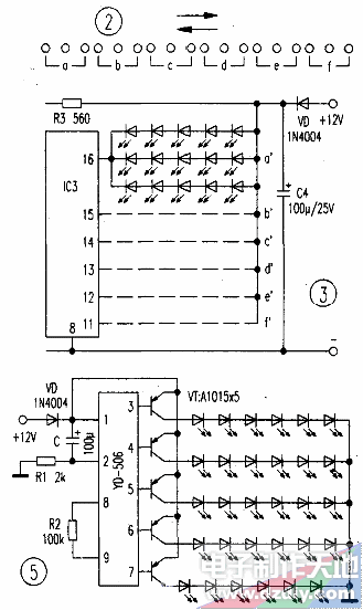
  该车装饰灯电路见图1,由三片通用集成电路及少量阻容元件组成。IC1是NE555电路,用它产生脉冲信号,从而控制发光管的闪烁速度,其闪烁速度是由电阻R1、R2及电容C2值决定的,只要改变这三个元件值的大小,就可以调节发光管的闪烁速度。IC2是CD4017,每输入10个脉冲信号为一个周期,10个脉冲信号分别对应10个输出端,并分别以高电平输出,将(2)和(11)、(9)和(4)、(6)和(7)、(5)和(10)脚分别相连,就可以得到6个计数输出。IC3是ULN2003AN,用以推动发光二极管发光。IC2的6路输出经过IC3的功率放大,带动6路18只发光二极管发光(即a、b、c、d、e、f 6组),这6路中每一路有3只发光二极管串联,其中R4是限流电阻,经实测发光管的工作电流约10mA,但它采用了高亮度发光管,因此亮度还是较高。电路中VD用以防止电源极性接反,并兼顾整流(车运行时有交流电窜入),C4起滤波作用。R3是限流电阻,与稳压管VDW构成直流稳压电源,以供给IC1及IC2用电。车头部发光管的闪光效果见图2,由a叫依次点亮,然后再由f→a反向点亮。往复循环,每次仅有同一组中的3只发光管亮。
摩托车流动装饰灯
  该装饰灯如果发光管有一个损坏,则它所在组中的另两个也不会亮,因此在更换时应注意。
  为了提升夜间行车安全,笔者在原车电路上增加了发光二极管数量,如图3所示。把原来的8、b、c、d、e、f去掉,全部换成a′、b′、c′、d′、e′、f′,使发光效果大大改善。由图3可知,a′由三组发光管并联而成,并且每一组由5只(或6只)发光管串联而成(b′……f′与a′构成相同),这样每一次点亮的发光管数由原来的3个变成了15个,使显示面积和亮度都大大增加,显示排列图见图4,8′→f′依次点亮熄灭,再由f′→a′循环往复,十分醒目美观。经过以上改进,限流电阻R4就被去掉了。
  图1电路使用元器件较多,不适宜自制,为了能使摩友独立自制以上类似效果电路,下面介绍一种简单的流动灯专用集成电路YD一506(该集成块可在摩配店里的五循环闪光装饰灯内取得)。YD-506是9脚单列塑封五路循环输出集成块,其电路见图5,它不需外加稳压管,电路简单,其①脚是电源正极端,仅需加一只二极管VD,②脚接地,并加一限流电阻R1。
  ①、②脚间有一滤波电容c,⑧、⑨脚接一振荡电阻R2,改变其阻值可改变振荡频率。③一⑦脚为5个输出端,采用灌电流形式。图5右侧为加装的三极管及发光二极管组。a、b、c、d、e共五组。每一组有6个发光管串联,经实测,发光管的工作电流达到了20mA,因此亮度是非常高的。发光管的排列见图6,可产生由中间a组向两边b、c、d、e组的扩展效果。
  编者注:本文产品实为流水灯或跑马灯电路,有兴趣的读者可借鉴本文制作其他类似节日装饰灯。另,本文中发光二极管可选用新型超高亮发光二极管。且颜色可搭配有绿、蓝、红、白可选,但目前白色发光二极管最亮。
摩托车流动装饰灯


分享到:
Copyright 1988-2022 中夏科技 All Rights Reserved 地址:武汉市洪山区白沙洲银湖中小企业城23栋8楼 电话:027-887338647